Electricité, batterie.....encore

Electricité , plomberie , gestion de l'énergie , isolation etc
Répondre
Avatar du membre
Pat 25
Messages : 1703
Enregistré le : lun. 27 déc. 2010 10:57

Electricité, batterie.....encore

Message par Pat 25 »

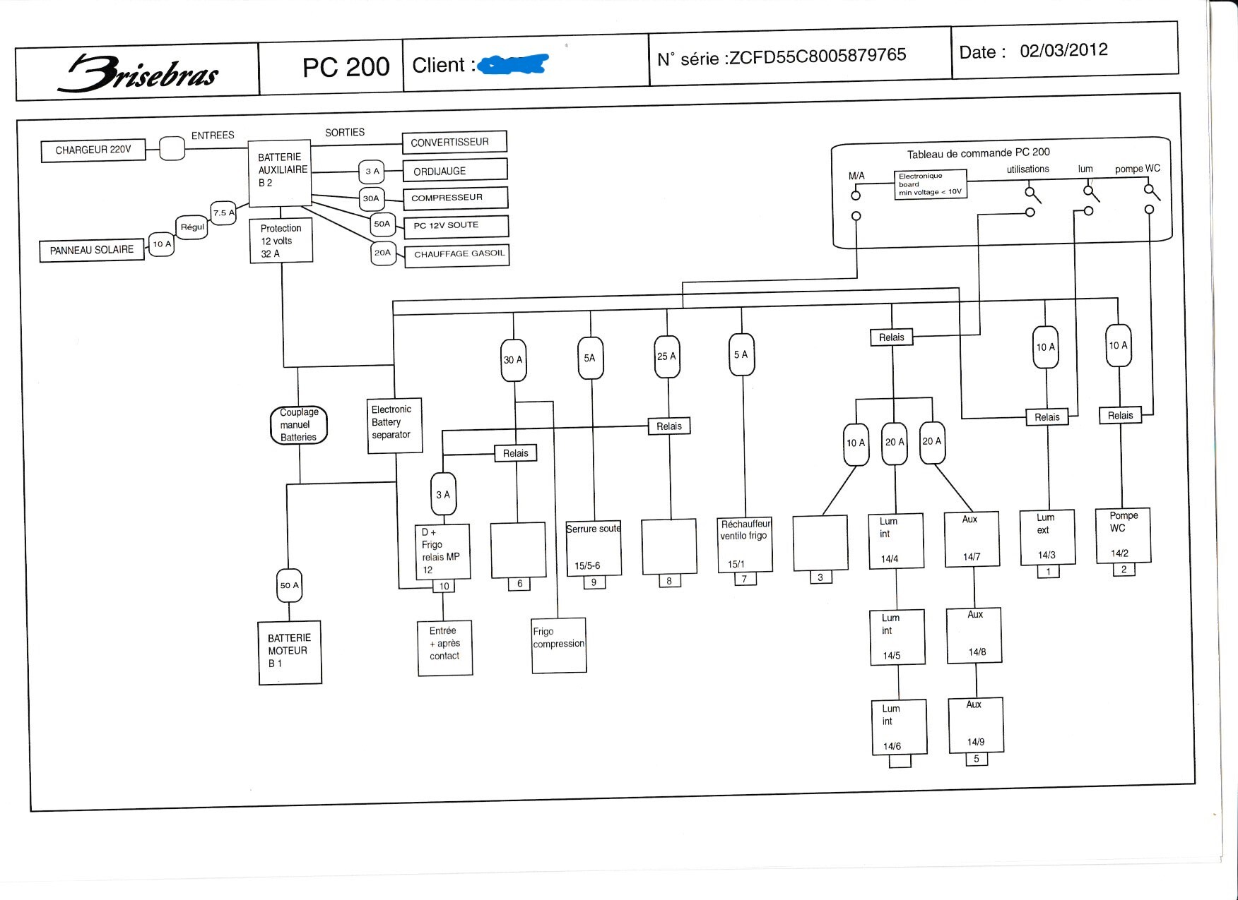
Image

Voila un schéma de mon installation électrique, j'ai 2 batteries cellule de 220AH qui sont de 2012 et ne prennent plus la charge ou très peu; es qu'il ne serait pas intéressant de passer sur une batterie lithium de 200AH mais dans ce cas es qu'il y a des autres matériels a changer et lesquels?
Avatar du membre
syncronono
Messages : 4827
Enregistré le : mar. 28 févr. 2012 23:25
Localisation : Aix en Provence

Re: Electricité, batterie.....encore

Message par syncronono »

Tu installe un booster dc dc et tu supprime ton coupleur manuel.
Tu fait éventuellement evoluer ton chargeur solaire et 220 par modèles prévus pour lithium.
……………………………………………………
Sprinter 316 CDI 4X4 - Aménagement HymerCar Grand Canyon :
http://www.casa-trotter.com/phpBB3/view ... f=7&t=9248

T3 Syncro http://www.casa-trotter.com/phpBB3/bonj ... t3670.html. VENDU.
Avatar du membre
zebulon54
Messages : 3111
Enregistré le : dim. 10 nov. 2013 14:26

Re: Electricité, batterie.....encore

Message par zebulon54 »

Bonjour

OK pour le ou les booster DC/DC
Pas OK sur "éventuellement"
Et compte tenu de l'origine de ce schéma électrique tu peux aussi interroger Brisebras qui fait ce genre d'opération régulièrement
NB : je ne vois qu'une seule batterie auxiliaire sur le schéma
Avatar du membre
Pat 25
Messages : 1703
Enregistré le : lun. 27 déc. 2010 10:57

Re: Electricité, batterie.....encore

Message par Pat 25 »

La communication est pas facile avec Brisebras....
franck4x4
Messages : 4815
Enregistré le : mar. 21 déc. 2010 19:19
Localisation : Nantes
Contact :

Re: Electricité, batterie.....encore

Message par franck4x4 »

Si tu as besoin de 200/220Ah réels en capacité , une lithium 200Ah ne te les donnera pas. Il te faut 280Ah minimum car on ne décharge que 80% ...
F,DK,S,FIN,N,E,P,MA,RIM,RMM,NL,B,L,D,CH,SLO,HR,BIH,MNE,AL,GR,I,RSM,V,H,RO,MD,TN,LAR,GB,IRL,PL,LV,LT,RUS,MGL,NAM,EST,RKS,MK,TR,CAN .
cricri1333
Messages : 557
Enregistré le : mer. 17 août 2011 19:25
Localisation : Vallée du Champsaur 05
Contact :

Re: Electricité, batterie.....encore

Message par cricri1333 »

syncronono a écrit : ven. 16 juin 2023 17:51 Tu installe un booster dc dc et tu supprime ton coupleur manuel.
Et pourquoi ne pas laisser le coupleur manuel et remplacer "Electronic battery separator " par un booster DC/DC dont le courant maximum de charge sera adapté à la capacité de charge de la batterie Lithium ?
Cordialement

CS

www.lescs.fr
Avatar du membre
Pat 25
Messages : 1703
Enregistré le : lun. 27 déc. 2010 10:57

Re: Electricité, batterie.....encore

Message par Pat 25 »

franck4x4 a écrit : sam. 17 juin 2023 08:35 Si tu as besoin de 200/220Ah réels en capacité , une lithium 200Ah ne te les donnera pas. Il te faut 280Ah minimum car on ne décharge que 80% ...
Je part de l'équipement actuel, 2x220ah qui me semble beaucoup....
Avatar du membre
Pat 25
Messages : 1703
Enregistré le : lun. 27 déc. 2010 10:57

Re: Electricité, batterie.....encore

Message par Pat 25 »

Alors des précisions sur l'installation, il y a:
2 PS Alden 130w
1 ordi-jauge Alden
1 chargeur de batterie CBE CB510/516
1 panneau de controle CBE PC 200.

Les batteries sont bien des AGM 220AH de 2012, peuvent elles être encore toujours en forme malgré leur age?
Avatar du membre
Pat 25
Messages : 1703
Enregistré le : lun. 27 déc. 2010 10:57

Re: Electricité, batterie.....encore

Message par Pat 25 »

j'y suis allé de ma petite réflexion. Mon ordinateur jauge m'indique environ 290ah, 0/1a de charge sans aucune conso dans le véhicule, ne serait-ce la capacité restante de mes batteries qui ont je le rappelle 11 ans et vu qu'elles sont pleines il n'y a pas de charge. Ma réflexion tient la route?
Répondre

Retourner vers « Améliorations, modifications de votre ensemble »